
Сейчас много цифровой техники выходит из строя, компьютеры, принтеры, сканеры. Время такое - старое заменяется новым. Но вышедшая из строя техника ещё может послужить, хоть и не вся, но отдельные её части уж точно.
Вот, к примеру, в принтерах и сканерах используются шаговые двигатели различных размеров и мощностей. Дело в том, что они могут работать не только как двигатели, но и как генераторы тока. Фактически это четырехфазный генератор тока уже и есть. И если приложить к двигателю даже небольшой крутящий момент - на выходе появиться значительно большое напряжение, которого вполне хватит, чтобы зарядить маломощные аккумуляторы.
Я предлагаю сделать механический динамо фонарик из шагового двигателя принтера или сканера.
Изготовление фонарика
Первое что нужно сделать это найти подходящий шаговый двигатель небольших размеров. Хотя, если вы хотите сделать фонарик побольше и помощней - берите большой двигатель.
Далее мне понадобиться корпус. Я взял готовый. Вы же можете взять мыльницы, или вообще склеить корпус самостоятельно.

Делаем отверстие под шаговый двигатель.
Устанавливаем и примеряем шаговый двигатель.
От старого фонарика берем переднюю панель с отражателями и светодиодами. Все это можно конечно сделать и самому.
Выпиливаем паз под фару.
Устанавливаем светило от старого фонарика.
Делаем вырез под кнопку и устанавливаем ее в паз.
На свободном участке размещаем плату, на которой будут размещаться электронные компоненты.
Электроника фонарика
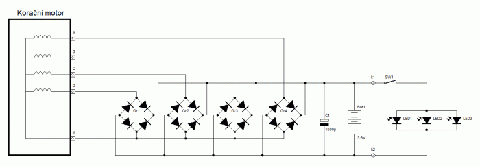
Схема
Чтобы светодиоды светили им нужен постоянный ток. Генератор вырабатывает переменный, поэтому нужен четырехфазный выпрямитель, который будет собирать ток со всех обмоток двигателя и концентрировать его в одной цепи.
Далее полученный ток будет заряжать аккумуляторы, который будут хранить полученный ток. В принципе, можно обойтись и без аккумуляторов - используя мощный конденсатор, но тогда свечение будет только в момент кручения генератора.
Хотя есть ещё одна альтернатива - использовать ионистор, но для его зарядки потребуется значительное время.
Собираем плату по схеме.


Все части фонарика готовы к сборке.

Сборка динамо фонаря
Прикрепляем плату на саморезы.

Ставим шаговый двигатель и припаиваем его провода к плате.

Подсоединяем провода к выключателю и фаре.

Вот почти собранный фонарь со всеми частями.

Полностью закрываем корпус. На колесо генератора крепиться «Г»-образная ручка, за которую пользователь будет вращать вал двигателя.

Как выглядит готовый фонарик.

Вот так он светит.

Энергии вполне достаточно для зарядки миниатюрных аккумуляторов. Вся конструкция имеет небольшие размеры и легко умещается в карман. Этот фонарик хорош тем, что даже пролежав годы без эксплуатации, может за считанные минуты заработать вновь.
Смотрите видео
источник









 













