Переделка автомобильного усилителя своими руками
Обычно в таких усилителях сгорают силовые полевые транзисторы в блоке питания (преобразователе) или мощные транзисторы оконечных каскадов усилителя мощности, заменить которые не составляет труда. Проверку этих транзисторов на работоспособность можно произвести обычным тестером, измеряя сопротивления между «ножками»-выводами — у «пробитых» элементов эти сопротивления будут почти нулевые при любой комбинации и полярности измерительных щупов. Если же замена мощных транзисторов не приводит к восстановлению работоспособности усилителя, значит причина более «глубокая», а определить исправность микросхем и других мелких элементов, особенно в SMD-корпусах без выпайки довольно проблематично. В этом случае гораздо проще и быстрее собрать новый узел, взамен неисправного. Например, если усилитель не работает, но его блок питания-преобразователь выдаёт нормальные рабочие напряжения, то можно удалить с платы все детали, относящиеся к усилительным каскадам и установить на освободившееся на плате место новую схему, собранную самостоятельно. В принципе, достаточно будет удалить мощные транзисторы выходного и предоконечного каскадов, а всю слаботочную часть (предварительные усилители) можно оставить на плате. Они не занимают много места и мешать никак не будут. Все дорожки питания, идущие на эту часть от преобразователя, конечно же следует при этом найти и аккуратно перерезать во избежание возможных замыканий при монтаже дополнительных плат.
Таким образом у нас останется только рабочий блок питания-преобразователь и достаточно свободного места для размещения новой схемы.
Вот пример такого ремонта-переделки двухканального усилителя в одноканальный, для сабвуфера:
На картинке видна оставшаяся «родная» часть — преобразователь напряжения и добавленная самодельная чсхема — блок сумматора и фильтров и оконечный усилитель мощности. Ниже будут приведены принципиальные схемы новой, добавленной «части».
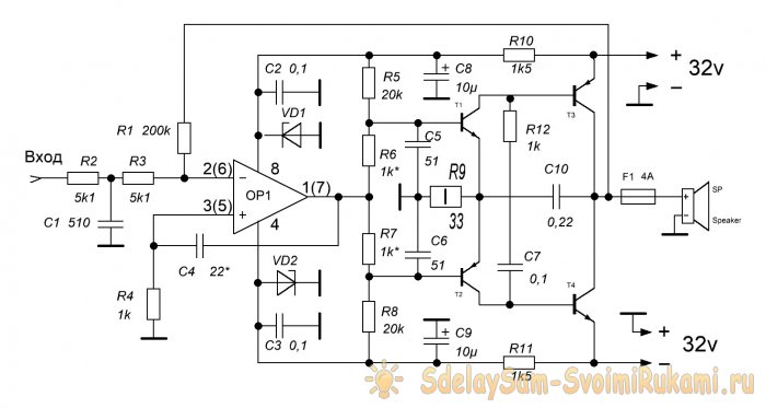
Схема усилителя мощности
Собран по довольно простой схеме, обеспечивающей при этом вполне приличные характеристики. В зависимости от применённых оконечных транзисторов и величины напряжения питания такой УМЗЧ может выдать до 200 ватт на нагрузке 4 Ома:
Если напряжение питания преобразователя Вашего усилителя не +/-32 вольта, а меньше (например +/-24 вольта), то и выходная мощность усилителя получится меньше. Эту ситуацию можно исправить только заменой импульсного силового трансформатора в преобразователе (или перемоткой его вторичной обмотки на большее количество витков) с заменой конденсаторов-электролитов фильтров также на большее напряжение. При напряжении 32 вольта выходная мощность получается порядка 150 ватт. При меньшем напряжении, например 24 вольта, номиналы резисторов R10R11 следует уменьшить до 910 Ом, других изменений схемы не потребуется. Операционный усилитель ОР1 можно применить типа LM2904, LM324N, BA4558N, TL062(072, 082) или любой другой аналогичный, одиночный или сдвоенный (на схеме в скобках дана нумерация второго канала в случае сдвоенного усилителя). Для всех перечисленных выше микросхем цоколевка совпадает, при применении других аналогов следует обратить внимание на цоколевку (!).
Стабилитроны VD1VD2 — любые, с напряжением стабилизации 15 вольт (типовое значение питания для большинства микросхем ОУ). Транзисторы Т1Т2 предоконечного каскада типа КТ815Г(817Г) и КТ814Г(816Г) соответственно или их любые зарубежные аналоги. Эти транзисторы нужно установить на небольшие теплоотводы. Схема не критична к применяемым деталям и транзисторы не требует специального подбора по параметрам. Выходные транзисторы Т3Т4 лучше поставить помощнее, например типа 2SA1943 и 2SC5200. Они крепятся на корпус (который работает как теплоотвод) через электроизоляционные прокладки из слюды или специального теплопроводного материала. Все резисторы мощностью от 0,25 ватт, кроме R9 — он будет сильно греться при больших мощностях и лучше его поставить мощностью не менее 2 ватт. Конденсаторы — любых типов, с рабочим напряжением не меньше напряжений питания, а лучше на 50-63 вольта. При настройке следует подобрать номиналы сопротивлений R6R7 таким образом, чтобы в режиме «покоя» и при отключённом динамике на базах транзисторов Т1 и Т2 было постоянное напряжение порядка 0,4-0,6 вольт. Конденсаторы С4, C5C6 и С7 отвечают за стабильность схемы к самовозбуждению по ВЧ и подбираются в случае возникновения таких возбуждений. При правильной разводке дорожек печатной платы никаких возбуждений, как правило, не наблюдается. Резистор R1 задаёт глубину обратной связи и определяет общий коэффициент усиления усилителя.
Сильно завышать его номинал нежелательно, так как это также может привести к неустойчивости усилителя. На схеме указано его оптимальное значение.
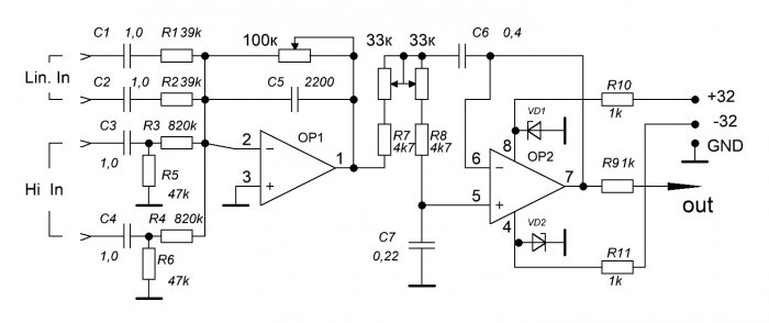
Сумматор каналов и блок регулируемого фильтра
Этот блок также собран по довольно простой «классической схеме»:
Схема имеет обычный линейный вход (Line In) и вход высокого уровня (Hi In). Высокоуровневый вход предназначен для подключения всего усилителя непосредственно к динамикам, работающим, например, от другого усилителя и используются в случае отсутствия в автомагнитоле линейных выходов. Если такой вход использовать не предполагается, то элементы С3С4R3R4R5R6 можно из схемы исключить. Переменный резистор 100 кОм регулирует коэффициент усиления каскада и выводится на переднюю панель корпуса в качестве регулятора «Уровня». Его можно заменить на номинал от 50 до 200 кОм и соединять с платой обязательно экранированным проводом (!). Сдвоенный резистор 33 кОм регулирует частоту среза фильтра (от 50 до 500 Гц) и может быть заменён на номинал от 22 до 56 кОм. Он также выводится на переднюю панель корпуса и соединяется с платой проводом в экране. Операционные усилители здесь могут быть такие же, как в усилителе мощности и стабилитроны VD1VD2 тоже. При правильной сборке и исправных деталях эта схема не требует никакого налаживания.
В результате получаем работоспособный усилитель для сабвуфера с вполне приличными параметрами и мощностью. Все примененные здесь схемы были повторены не один раз и показали высокую надёжность, гораздо выше, чем «родные» для этого автоусилителя — китайские…




 













